Takeuchi TB020 Parts Workshop Operators Manual
Size: 60.4 MB
Language: English, German
Document: Parts Manual,Workshop Manual,Operators Manual
Machine: Excavator
Machine Model: TB020
Contents:
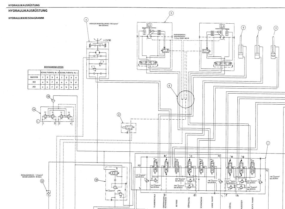
German
Bedienungsanleitung
Ersatzteile
Werkstatt Handbuch
English
Operators Manual
Parts Manual
Workshop Manual




