Takeuchi TB070 Workshop Parts Operators Manual
Size: 72.5 MB
Language: English, Italian
Document: Workshop Manual,Parts Manual,Operators Manual
Machine: Excavator
Machine Model: TB070
Contents:
Engine for TB070 NISSAN BD300 (111 Pages)
TB070 Parts Manual (414 Pages)
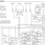
TB070 Workshop Manual WL1-101E4 (456 Pages)
TB070 Workshop Manual (103004~)WL1-101E4-1(WE-TB070-B) (457 Pages)
TB070 Operators Manual IT (102 Pages)




