Takeuchi TB215R Parts Workshop Operators Manual
Size: 88.0 MB
Language: English, German
Document: Parts Manual,Workshop Manual,Operators Manual
Machine: Excavator
Machine Model: TB215R
Contents:
TB210R Operators Manual DE (207 Pages)
TB215R Parts Manual P-T215RBAD (357 Pages)
P-T215REngineAB (42 Pages)
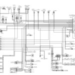
TB215R Workshop Manual (215000003~)AC8G001(OGTB215R-AB) DE (205 Pages)
TB215R Workshop Manual (215000003~)CG8G000(WGTB215R A-XA) DE (298 Pages)




