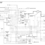
Takeuchi TB25 Operators Parts Workshop Manual
Size: 14.5 MB
Language: English, German
Document: Parts Manual,Workshop Manual,Operators Manual
Machine: Excavator
Machine Model: TB25
Contents:
TB25 Operators German (58 Pages)
TB25 Parts (230 Pages)
TB25-G (206 Pages)




