Takeuchi TB280FR Parts Workshop Operators Manual
Size: 140 MB
Language: English, French
Document: Parts Manual,Workshop Manual,Operators Manual
Machine: Excavator
Machine Model: TB280FR
Contents:
TB280FR Operators Manual OFTB280FR F-XC FR (277 Pages)
Engine [P-TB280FR FE0A] 4TNV98CT-WTBZ (50 Pages)
TB280FR Parts Manual P-TB280FR F-XE (432 Pages)
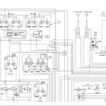
TB280FR Workshop Manual (178500002~)CL9F001(WFTB280FR F-XB) FR (528 Pages)




