Takeuchi TB285 TB290 Operators Parts Workshop Manual
Size: 644 MB
Language: English, Spanish
Document: Operators Manual,Parts Manual,Workshop Manual
Machine: Excavator
Machine Model: TB285 TB290
Contents:
TB285 Parts Manual
TB285 TB290 Operators Manual AM1S004 (275 Pages)
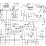
TB285 Workshop Manual
TB290 Operators Manual ES (303 Pages)
TB290 Parts Manual (SN 185100001-)
TB290 Parts Manual (SN 190000001-)
TB290 TB285 Operators Manual ES (285 Pages)
TB290 Workshop Manual




