Takeuchi TB285 TB290 Parts Workshop Operators Manual
Size: 436 MB
Language: English, French
Document: Parts Manual,Workshop Manual,Operators Manual
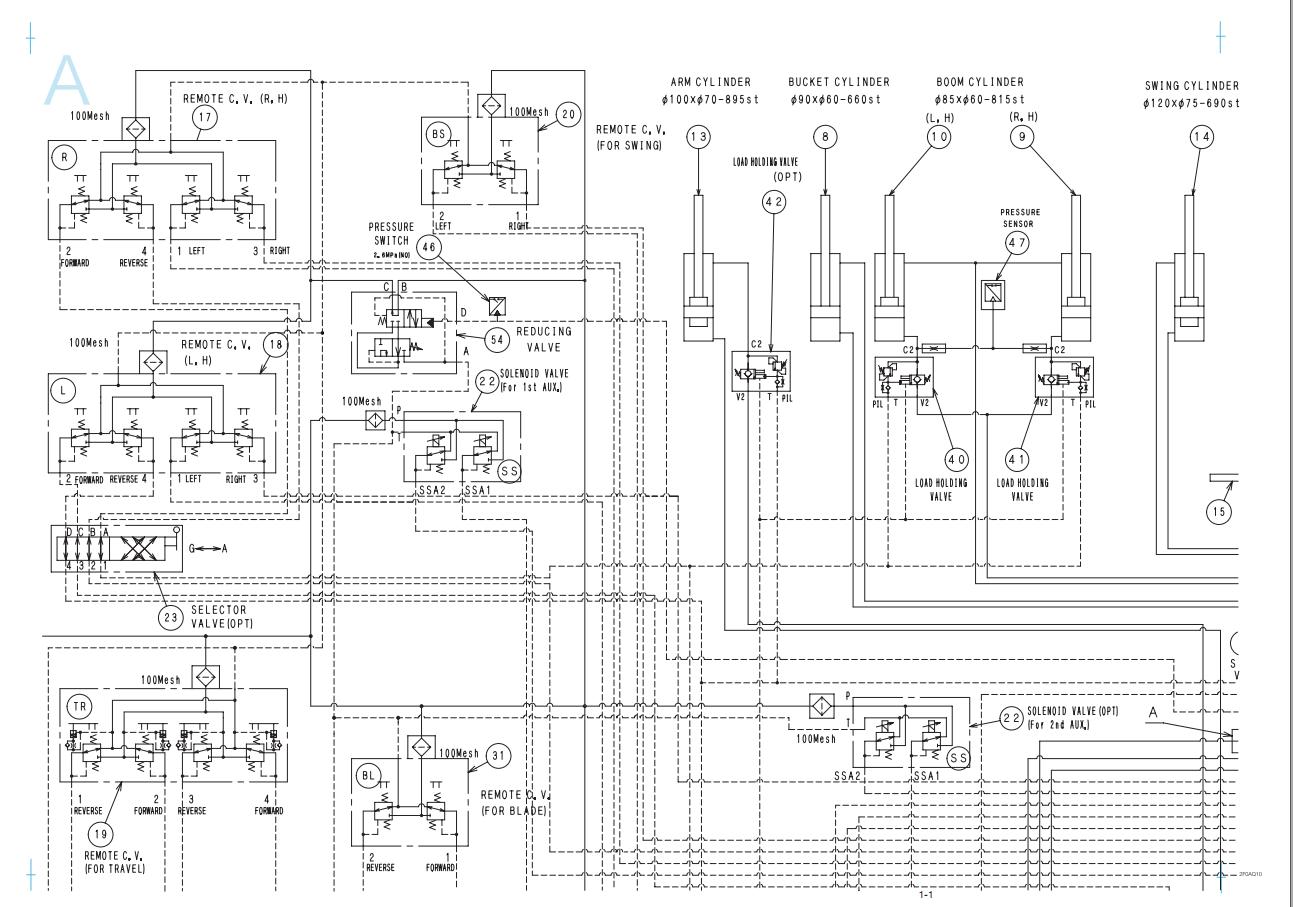
Machine: Excavator
Machine Model: TB285 TB290
Contents:
French:
Catalogue de pièces
Manuel d´atelier
Manuel d´utilisateur
English:
Parts Manual
Workshop Manual
Operators Manual




