Takeuchi TB285 TB290 Workshop Operators Parts Manual
Size: 652 MB
Document: Workshop Manual,Operators Manual,Parts Manual
Machine: Excavator
Machine Model: TB285 TB290
Contents:
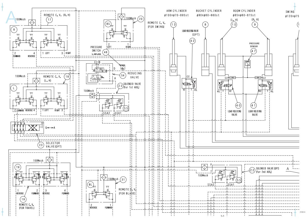
Operators Manual
Parts Manual
Workshop Manual
Takeuchi TB285 TB290 Workshop Operators Parts Manual
Size: 652 MB
Document: Workshop Manual,Operators Manual,Parts Manual
Machine: Excavator
Machine Model: TB285 TB290
Contents:
Operators Manual
Parts Manual
Workshop Manual




