Takeuchi TB28FR Operators Parts Workshop Manual
Size: 26.1 MB
Document: Operators Manual,Parts Manual,Workshop Manual
Machine: Excavator
Machine Model: TB28FR
Contents:
Engine for TB28FR (42 Pages)
TB28FR Operators Manual AF4E001 (182 Pages)
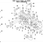
TB28FR Parts Manual BF4Z007 (322 Pages)
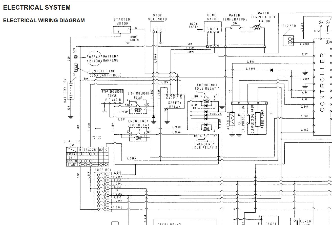
TB28FR Workshop Manual (430 Pages)




