Takeuchi TB36 Parts Workshop Operators Manual
Size: 14.0 MB
Language: English, French
Document: Parts Manual,Workshop Manual,Operators Manual
Machine: Excavator
Machine Model: TB36
Contents:
TB36 Operators Manual FR (46 Pages)
TB36 Parts Manual (152 Pages)
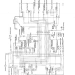
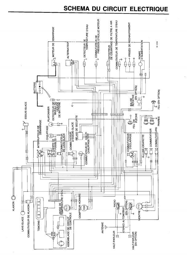
TB36 Workshop Manual FR (248 Pages)




