Takeuchi TB45 Workshop Parts Operators Manual
Size: 30.0 MB
Document: Workshop Manual,Parts Manual,Operators Manual
Machine: Excavator
Machine Model: TB45
Contents:
TB45 Operators Manual (58 Pages)
TB45 Parts Manual (146 Pages)
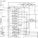
TB45 Workshop Manual (208 Pages)




