Takeuchi TB53FR Workshop Parts Operators Manual
Size: 47.8 MB
Document: Workshop Manual,Parts Manual,Operators Manual
Machine: Excavator
Machine Model: TB53FR
Contents:
Engine for TB53FR (82 Pages)
Engine for TB53FR 4TNE88-ETBZ (42 Pages)
Engine [P-TB53FEBB] for TB53FR 4TNV88-QTBZ (44 Pages)
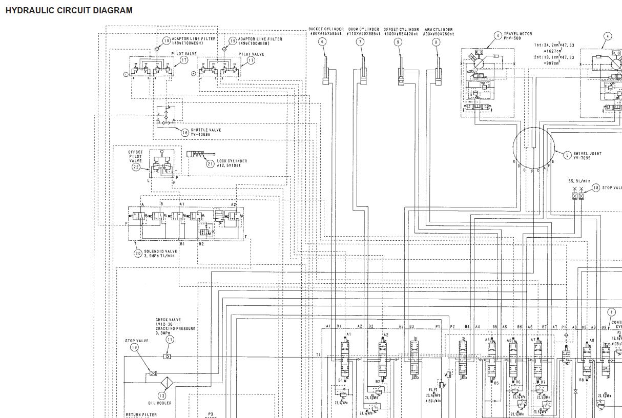
TB53FR Parts Manual BJ1Z006-1 (504 Pages)
TB53FR Workshop Manual CJ1E001 (447 Pages)
TB53FR Operators Manual (15810005~)AJ1E003(OE-T53FRAA) (192 Pages)
TB53FR Operators Manual AJ1E007 (194 Pages)




