Takeuchi TCR50 Operator Parts Workshop Manual
Size: 76.7 MB
Document: Operator Manual, Parts Manual, Workshop Manual
Machine: Dump Carrier
Machine Model: TCR50
Contents:
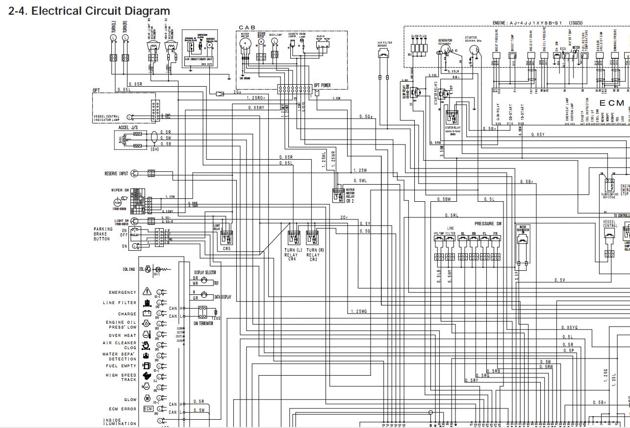
Operators manual
Parts manual
Workshop manual
Takeuchi TCR50 Operator Parts Workshop Manual
Size: 76.7 MB
Document: Operator Manual, Parts Manual, Workshop Manual
Machine: Dump Carrier
Machine Model: TCR50
Contents:
Operators manual
Parts manual
Workshop manual




