Takeuchi TCR50 Parts Workshop Operators Manual
Size: 66.1 MB
Language: English, French
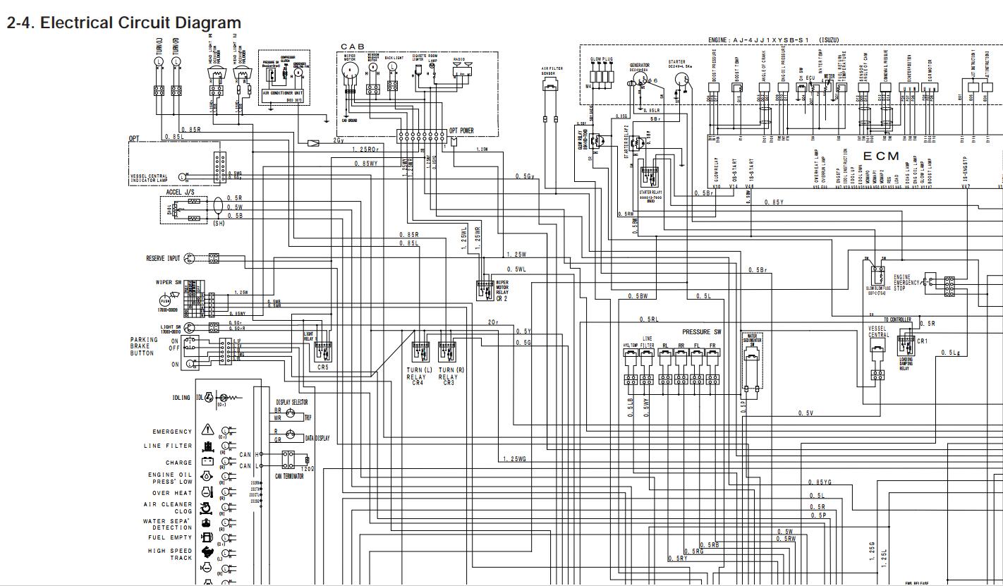
Document: Parts Manual,Workshop Manual,Operators Manual
Machine: Dumper
Machine Model: TCR50
Contents:
French:
Catalogue de pièces
Manuel d´atelier
Manuel d´utilisateur
English:
Parts Manual
Workshop Manual
Operators Manual




