Takeuchi TL126 Operators Parts Workshop Manual
Size: 30.2 MB
Document: Operators Manual,Parts Manual,Workshop Manual
Machine: Compact Loader
Machine Model: TL126
Contents:
Engine for TL126 A-4JB1PAA10 (ISUZU) (59 Pages)
TL126 Parts Manual (140 Pages)
TL126 Operators Manual AT6E002 (64 Pages)
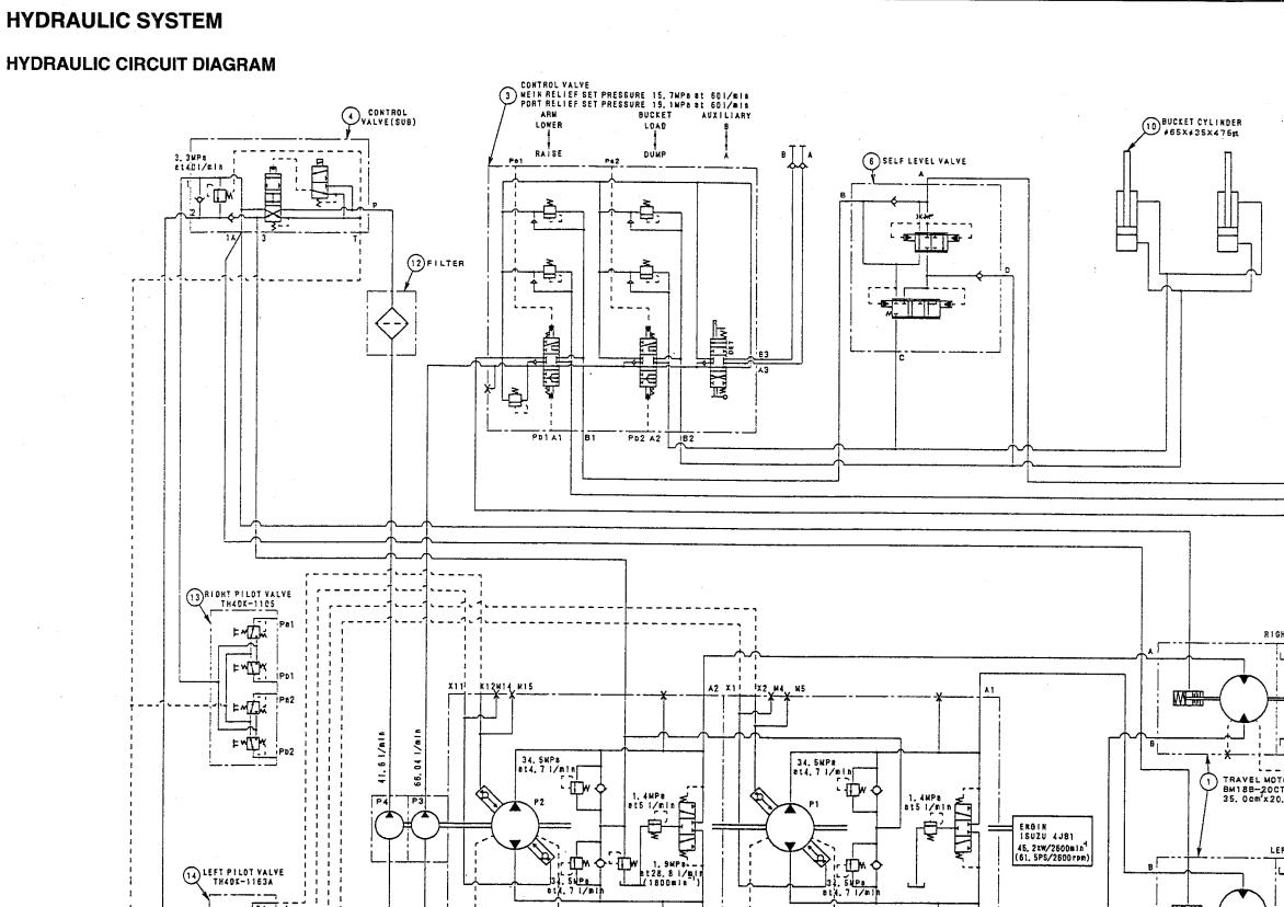
TL126 Workshop Manual WT6E000 (110 Pages)


