TCM FB10 FB15 FB18 FB20 FB25 FB30 FB35-8 (LB,V,S) Service Manual SEB-7P0BE
Size: 13.52 MB
Machine: Forklift
Machine Model:
FB10-8 FB15-8
FB18-8 FB20-8
FB25-8 FB30-8
FB25-8LB FB25-8V
FB30-8V FB35-8S
Page: 259 Pages
Parts Number: SEB-7P0BE
The Bookmark of TCM FB10 FB15 FB18 FB20 FB25 FB30 FB35-8 (LB,V,S) Service Manual:
Contents
1. Battery And Charger (Option)
2. Motors
3. Control System
4. Drive Unit And Drive Axle
5. Brake System
6a. Steering System (Orbitrol Type)
6b. Steering System (Eps Type)
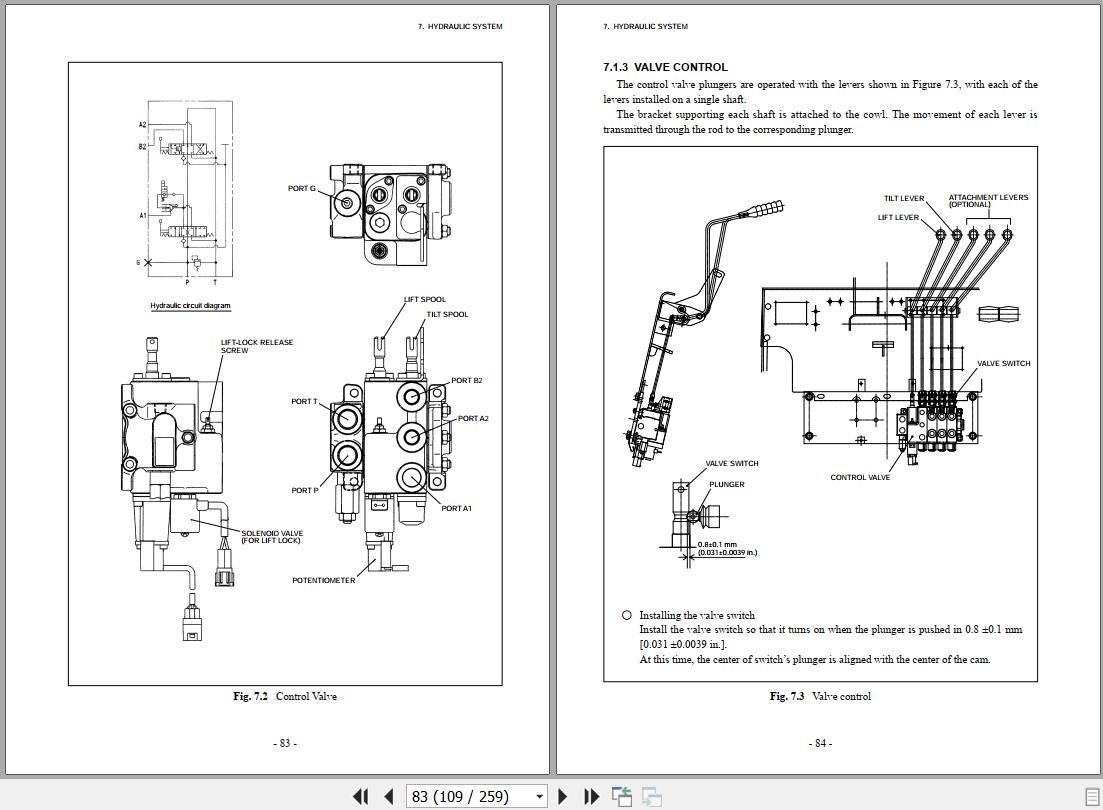
7. Hydraulic System
8. Load Handling System
9. Electric System
Troubleshootingtable Of Contents
1. Control Circuits
2. Electrical Parts And Procedures For Checking
3. Troubleshooting Guide
4. Parameter Setting
5. Description Of The Functions
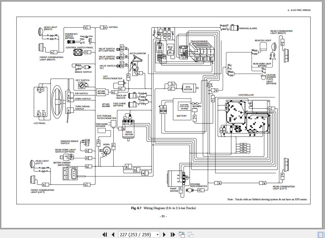
6. Electric Wring
#More Product: TCM Forklift Parts and Service Manual



