TCM FD60Z8 FD70Z8 FD80Z8 FD100Z8 Service Manual SEF-30CBE
Size: 5.65 MB
Machine: Forklift
Machine Model: FD60Z8 FD70Z8 FD80Z8 FD100Z8
Page: 160 Pages
Parts Number: SEF-30CBE
The Bookmarks of TCM FD60Z8 FD70Z8 FD80Z8 FD100Z8 Service Manual:
Engine
Drive Unit
Drive Axle
Brake System
Steering System
Hydraulic System
Load Handling System
Steering System (Orbitrol Type)
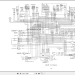
Electrlic Wiring
#More Product: TCM Forklift Parts and Service Manual



