TCM FD(G)20 FD(G)23 FD(G)25 FD(G)28 FD(G)30N-N3-Z-Z3 Service Manual SEF-13AAE
Size: 11.95 MB
Machine: Forklift
Machine Model:
FD20Z3 F023Z3
FD25Z3 F02BZB
F030ZB FG20N3
FG23N3 FG25N3
FG28NB FG30NB
FHG25N FHD25Z
FHG30N FHD30Z
Page: 186 Pages
Parts Number: SEF-13AAE
The Bookmark of TCM FD(G)20 FD(G)23 FD(G)25 FD(G)28 FD(G)30N-N3-Z-Z3 Service Manual:
Engine
Fuel System
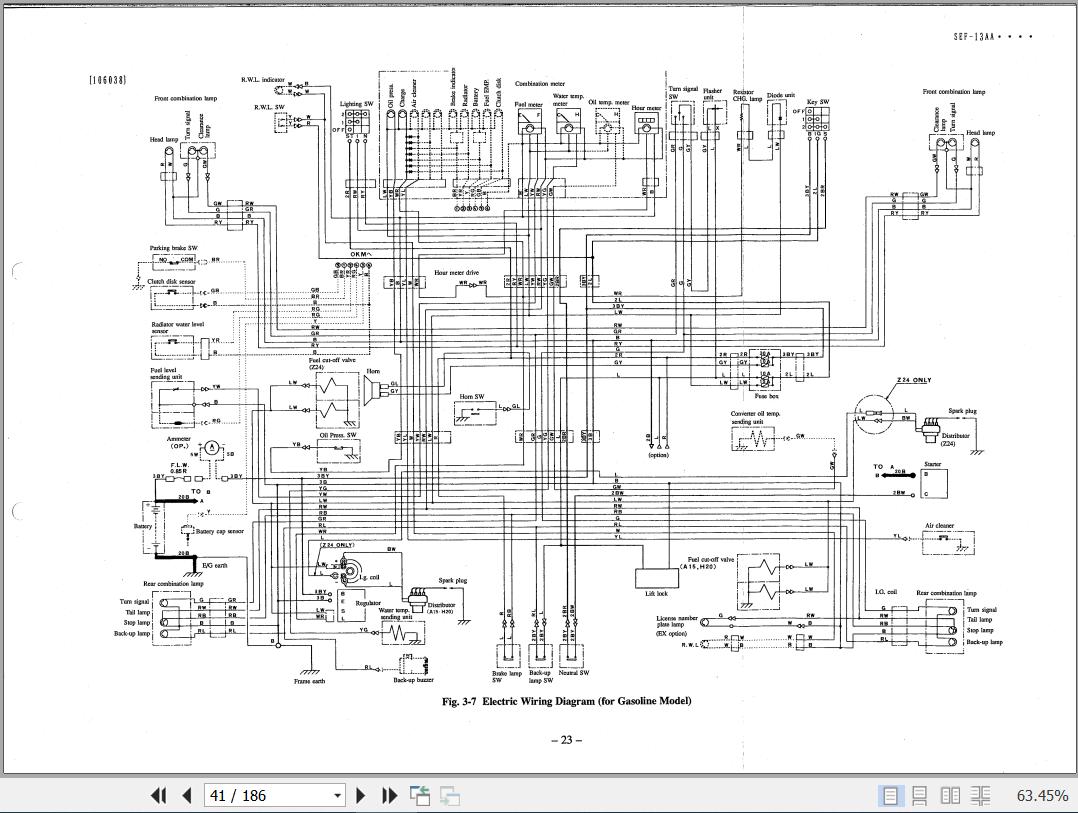
Electric System
Clutch And Clutch Pedal
Clutch Type Transmission
Toroue Converter Type Transmission
Front Axle
Brake System
Rear Axle
Steering System
Hydraulic System
Load Handling System
Steering System (Orbitrol Type)
#More Product: TCM Forklift Parts and Service Manual



