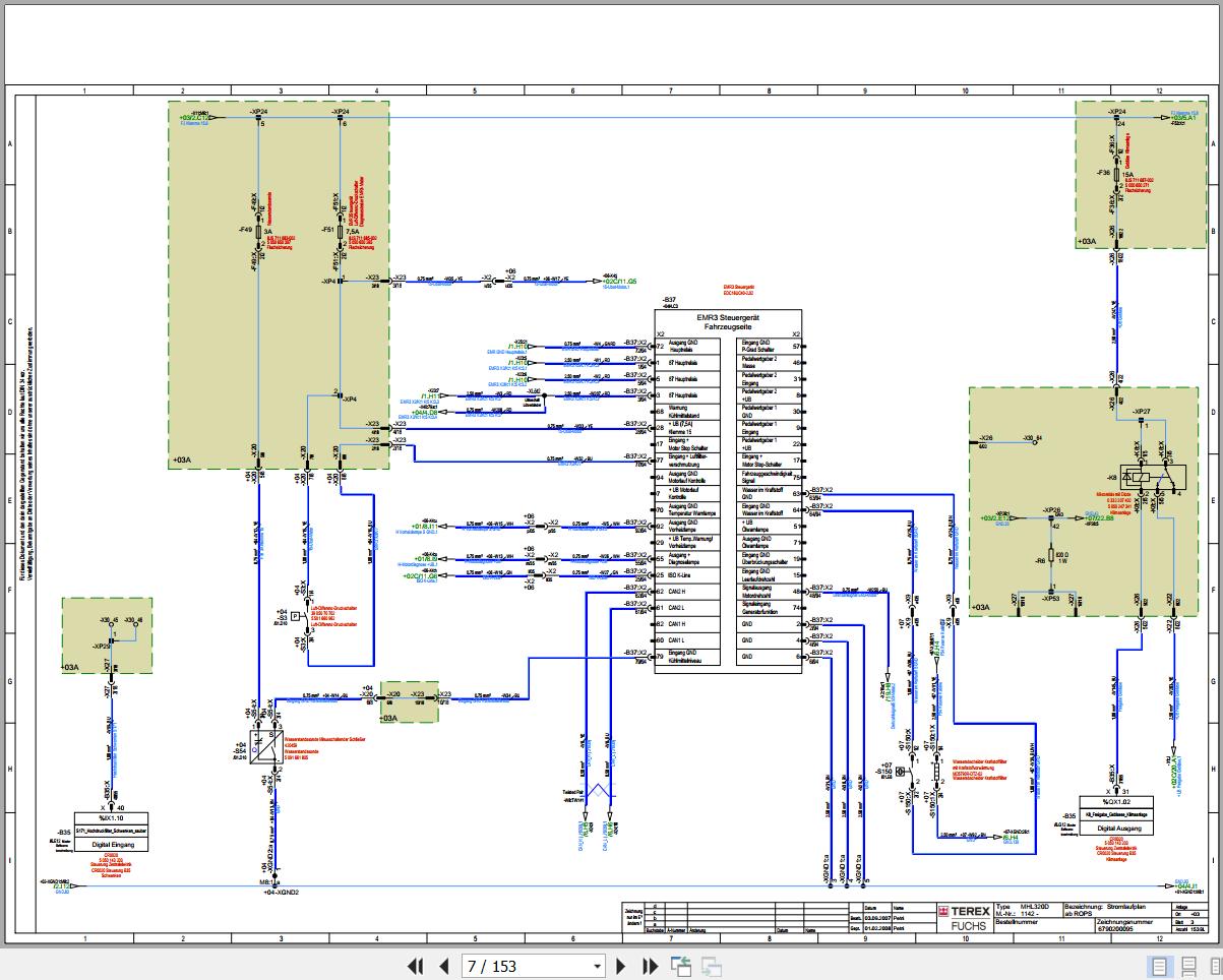
Terex Fuchs MHL320D 1142- Wiring Diagram 6790200259
Size: 90.29 MB
Machine: Material Handlers
Machine Model: MHL320D
Serial Number: 1142-
Publication Date: 2011
Page: 153 Pages
Parts Number: 6790200259
Terex Fuchs MHL320D 1142- Wiring Diagram 6790200259
Size: 90.29 MB
Machine: Material Handlers
Machine Model: MHL320D
Serial Number: 1142-
Publication Date: 2011
Page: 153 Pages
Parts Number: 6790200259



