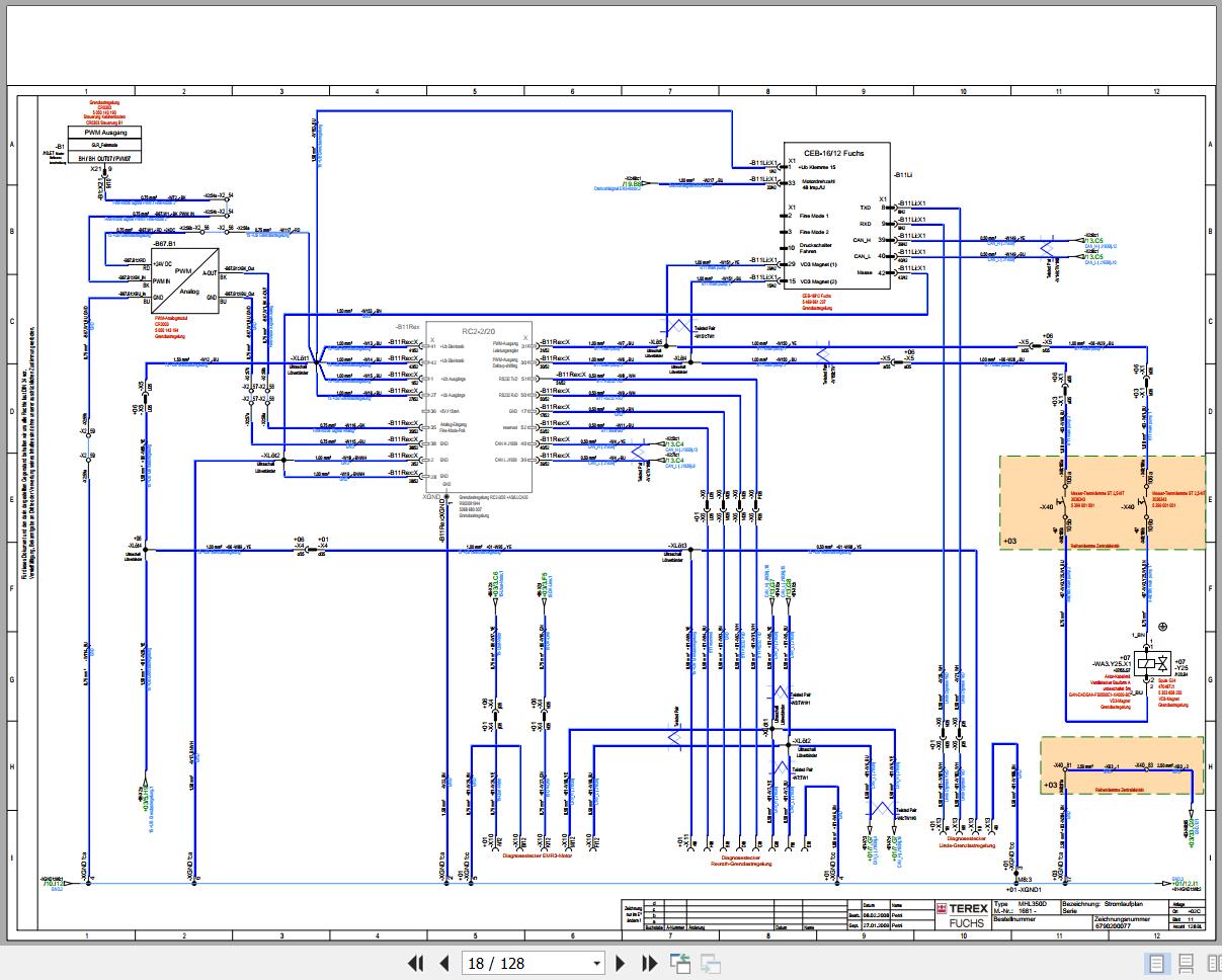
Terex Fuchs MHL350D 1681- Wiring Diagram 6790200077
Size: 54.58 MB
Machine: Material Handlers
Machine Model: MHL350D
Serial Number: 1681-
Publication Date: 2009
Page: 128 Pages
Parts Number: 6790200077
Terex Fuchs MHL350D 1681- Wiring Diagram 6790200077
Size: 54.58 MB
Machine: Material Handlers
Machine Model: MHL350D
Serial Number: 1681-
Publication Date: 2009
Page: 128 Pages
Parts Number: 6790200077



