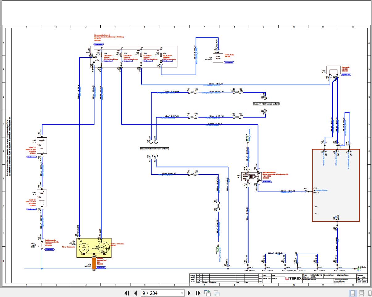
Terex Fuchs MHL350E HD 4150- Wiring Diagram 6790200206
Size: 112.13 MB
Machine: Material Handlers
Machine Model: MHL350E HD
Serial Number: 4150-
Publication Date: 2012
Page: 234 Pages
Parts Number: 6790200206
Terex Fuchs MHL350E HD 4150- Wiring Diagram 6790200206
Size: 112.13 MB
Machine: Material Handlers
Machine Model: MHL350E HD
Serial Number: 4150-
Publication Date: 2012
Page: 234 Pages
Parts Number: 6790200206



