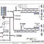
Terex Fuchs MHL360E 4032 Wiring Diagram 6790200177
Size: 98.64 MB
Machine: Material Handlers
Machine Model: MHL360E
Serial Number: 4032
Publication Date: 2012
Page: 190 Pages
Parts Number: 6790200177
Terex Fuchs MHL360E 4032 Wiring Diagram 6790200177
Size: 98.64 MB
Machine: Material Handlers
Machine Model: MHL360E
Serial Number: 4032
Publication Date: 2012
Page: 190 Pages
Parts Number: 6790200177



