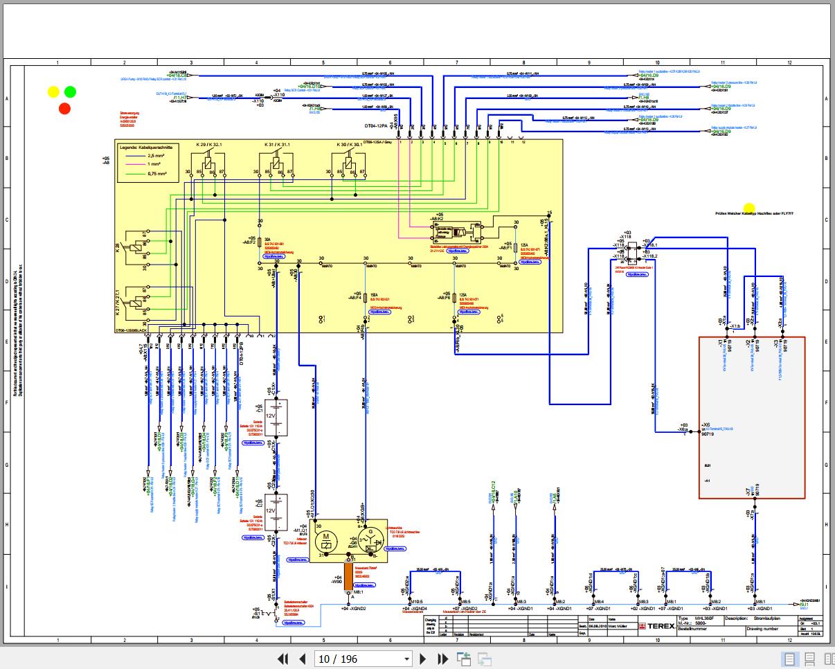
Terex Fuchs MHL360F 4004- Wiring Diagram 6790200205
Size: 90.78 MB
Machine: Material Handlers
Machine Model: MHL360F
Serial Number: 4004-
Publication Date: 2012
Page: 196 Pages
Parts Number: 6790200205
Terex Fuchs MHL360F 4004- Wiring Diagram 6790200205
Size: 90.78 MB
Machine: Material Handlers
Machine Model: MHL360F
Serial Number: 4004-
Publication Date: 2012
Page: 196 Pages
Parts Number: 6790200205



