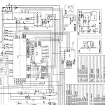
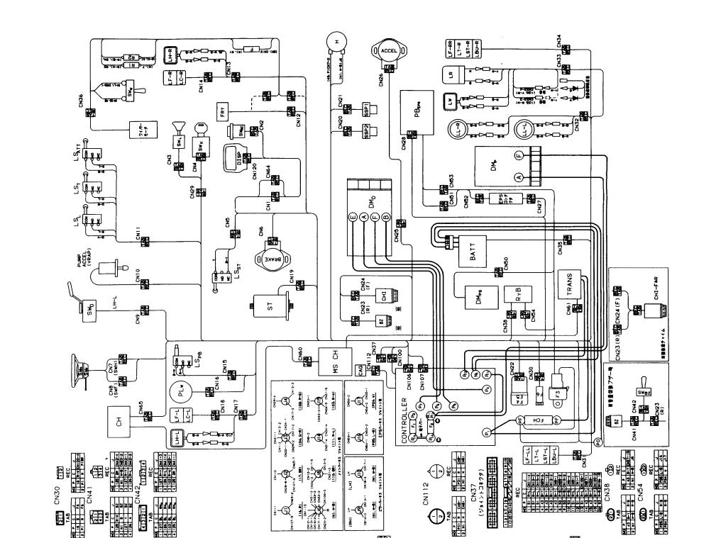
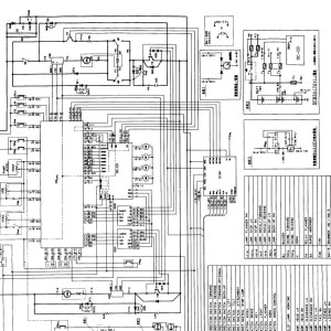
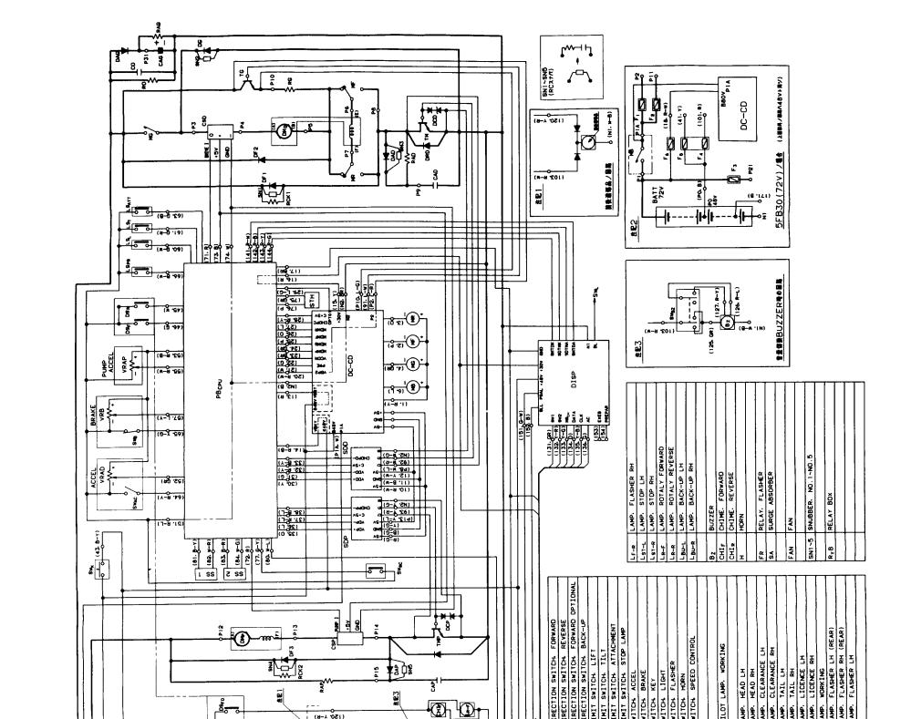
Toyota 5FB10 to 5FB30 Wiring Diagram
Size: 441 KB
Machine: Forklift
Machine Model: 5FB10 to 5FB30
Pages: 5 Pages
The Bookmarks of Toyota 5FB10 to 5FB30 Wiring Diagram:
Cpu Board & Dc-Cd Board Connector Drawind
Connecting Diagram
Wiring Diagram
#More Product: Toyota Forklift Parts Catalog, Repair Manual, Service Manual, Wiring Diagram


