Toyota 5FBC13 to 5FBC30 Wiring Diagram
Size: 1.71 MB
Machine: Forklift
Machine Model: 5FBC13 to 5FBC30
Pages: 20 Pages
The Bookmarks of Toyota 5FBC13 to 5FBC30 Wiring Diagram:
Connector Drawing
Cpu Board & Dc/Sd Board Connector Drawing
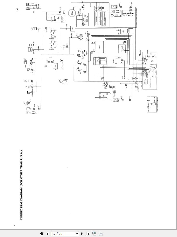
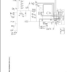
Connecting Diagram
Wiring Diagram
#More Product: Toyota Forklift Parts Catalog, Repair Manual, Service Manual, Wiring Diagram


