Toyota 5FBCU15 to 5FBCU30 Wiring Diagram
Size: 906 KB
Machine: Forklift
Machine Model: 5FBCU15 to 5FBCU30
Pages: 12 Pages
The Bookmarks of Toyota 5FBCU15 to 5FBCU30 Wiring Diagram:
Connector Drawing
Cpu Board & Dc/Sd Board Connector Drawing
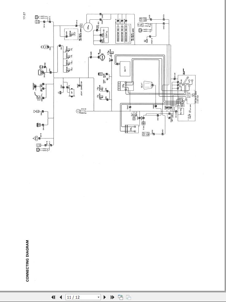
Connecting Diagram
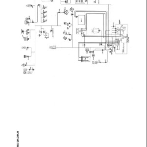
Wiring Diagram
#More Product: Toyota Forklift Parts Catalog, Repair Manual, Service Manual, Wiring Diagram


