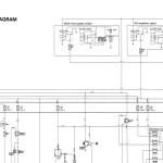
Toyota 5FD50-80 5FG50-60 5FDN50-60 5FDM60-70 Wiring Diagram
Size: 226 KB
Machine: Forklift
Machine Model: 5FD50-80 5FG50-60 5FDN50-60 5FDM60-70
Pages: 2 Pages
The Bookmarks of Toyota 5FD50-80 5FG50-60 5FDN50-60 5FDM60-70 Wiring Diagram:
Wiring Diagram 3F Engine
Wiring Diagram 14Z Engine
#More Product: Toyota Forklift Parts Catalog, Repair Manual, Service Manual, Wiring Diagram


