Toyota 5FG10 to 5FG30, 5FD10 to 5FD30 Wiring Diagram
Size: 184 KB
Machine: Forklift
Machine Model: 5FG10 to 5FG30, 5FD10 to 5FD30
Pages: 4 Pages
The Bookmarks of Toyota 5FG10 to 5FG30, 5FD10 to 5FD30 Wiring Diagram:
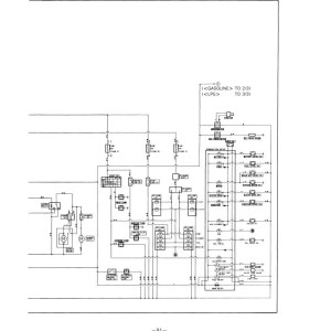
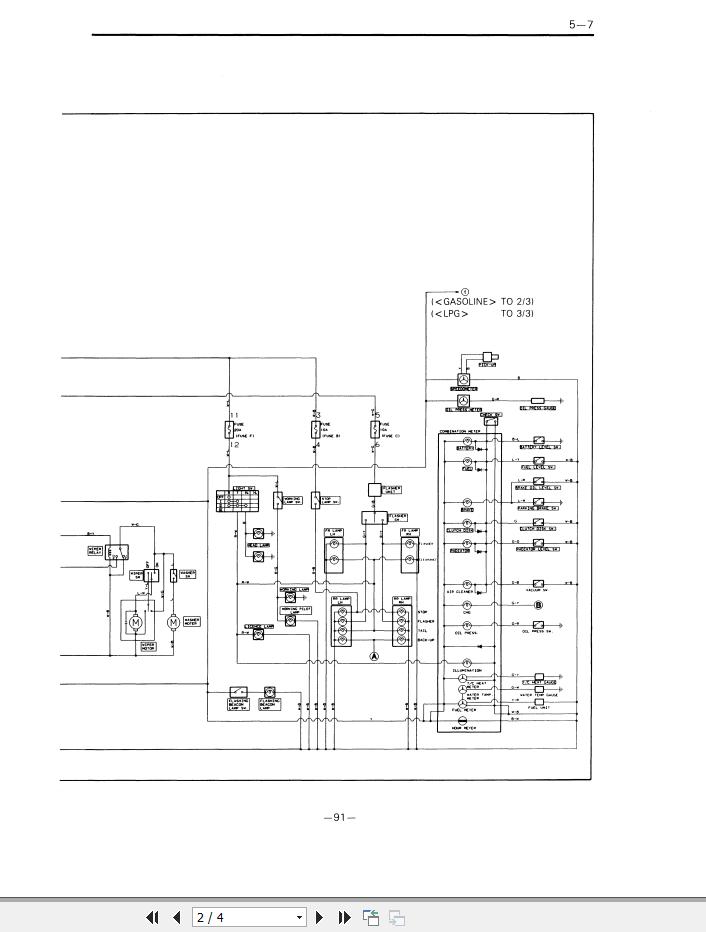
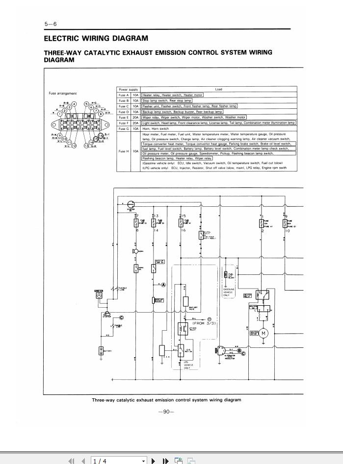
Electric Wiring Diagram
Connector Drawing
#More Product: Toyota Forklift Parts Catalog, Repair Manual, Service Manual, Wiring Diagram


