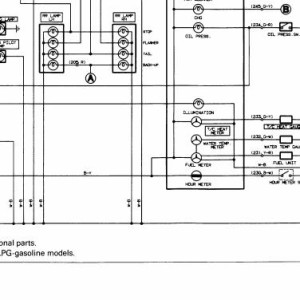
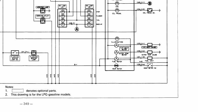
Toyota 5FGC10 to 5FGC15, 30-5FGC10 to 30-5FGC15 Wiring Diagram
Size: 79.6 KB
Machine: Forklift
Machine Model: 5FGC10 to 5FGC15, 30-5FGC10 to 30-5FGC15
Pages: 1 Page
#More Product: Toyota Forklift Parts Catalog, Repair Manual, Service Manual, Wiring Diagram


