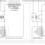
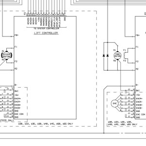
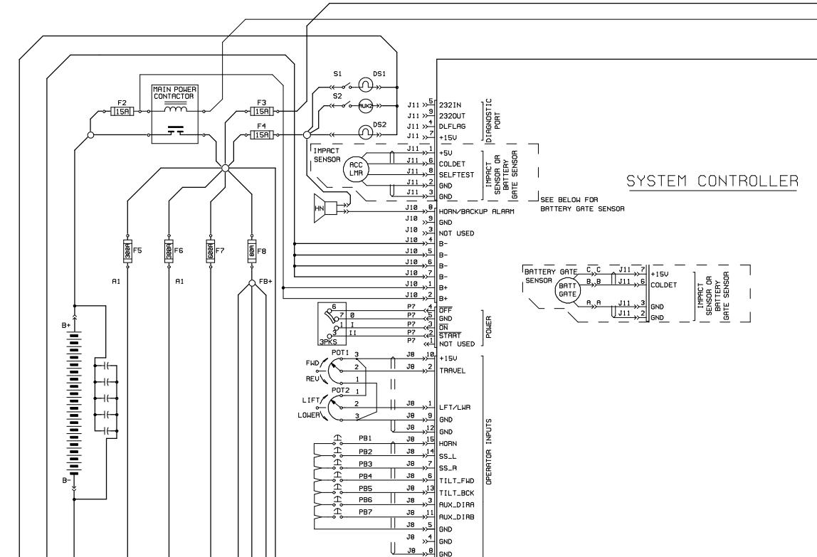
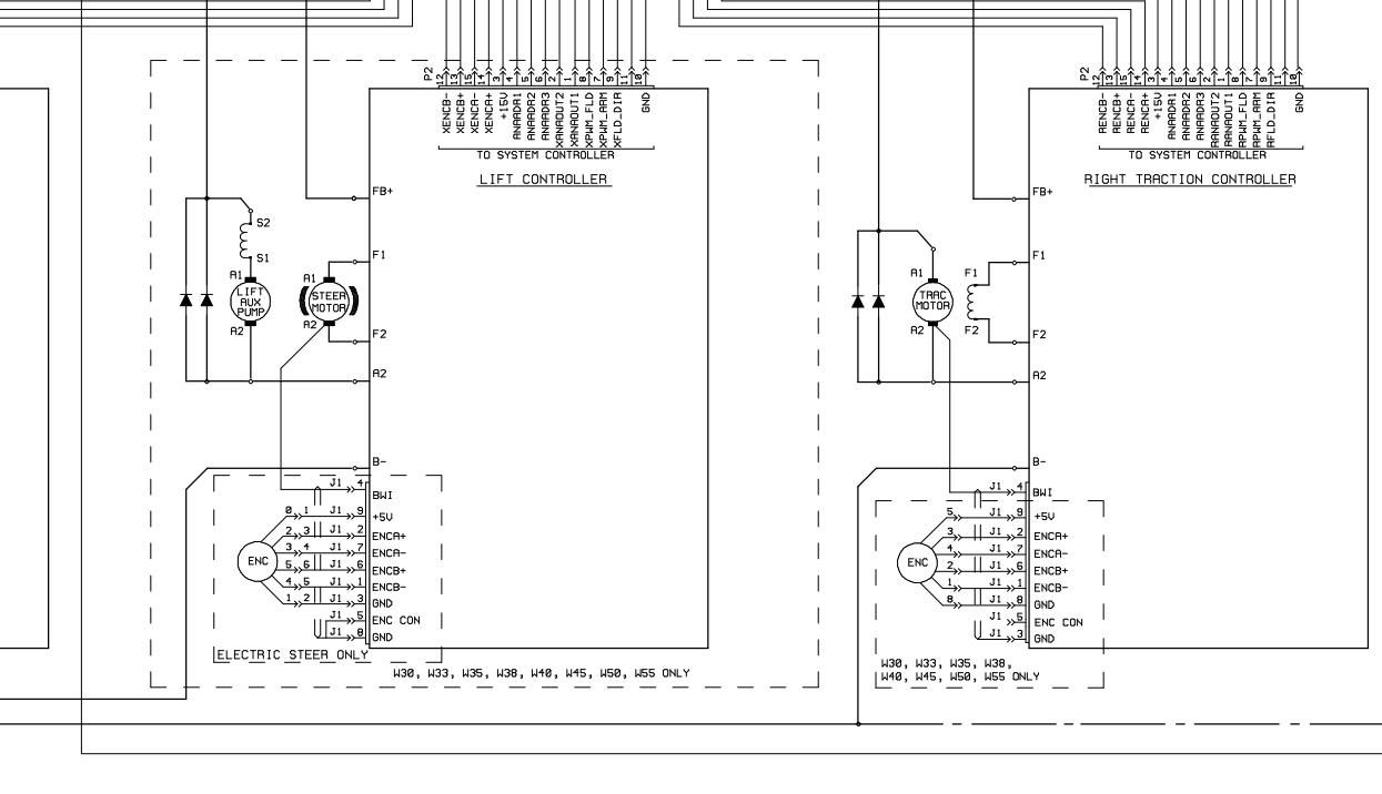
Toyota 6BNCU Schematic Diagram
Size: 164 KB
Machine: Forklift
Machine Model: 6BNCU
#More Product: Toyota Forklift Parts Catalog, Repair Manual, Service Manual, Wiring Diagram
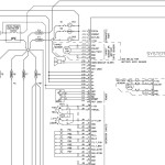
Size: 164 KB
Machine: Forklift
Machine Model: 6BNCU
#More Product: Toyota Forklift Parts Catalog, Repair Manual, Service Manual, Wiring Diagram


