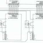
Toyota 6BNCUE15 6BNCUE18 Electrical Schematic
Size: 418 KB
Machine: Forklift
Machine Model: 6BNCUE15 6BNCUE18
Pages: 1 Page
#More Product: Toyota Forklift Parts Catalog, Repair Manual, Service Manual, Wiring Diagram
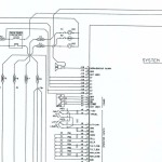
Size: 418 KB
Machine: Forklift
Machine Model: 6BNCUE15 6BNCUE18
Pages: 1 Page
#More Product: Toyota Forklift Parts Catalog, Repair Manual, Service Manual, Wiring Diagram


