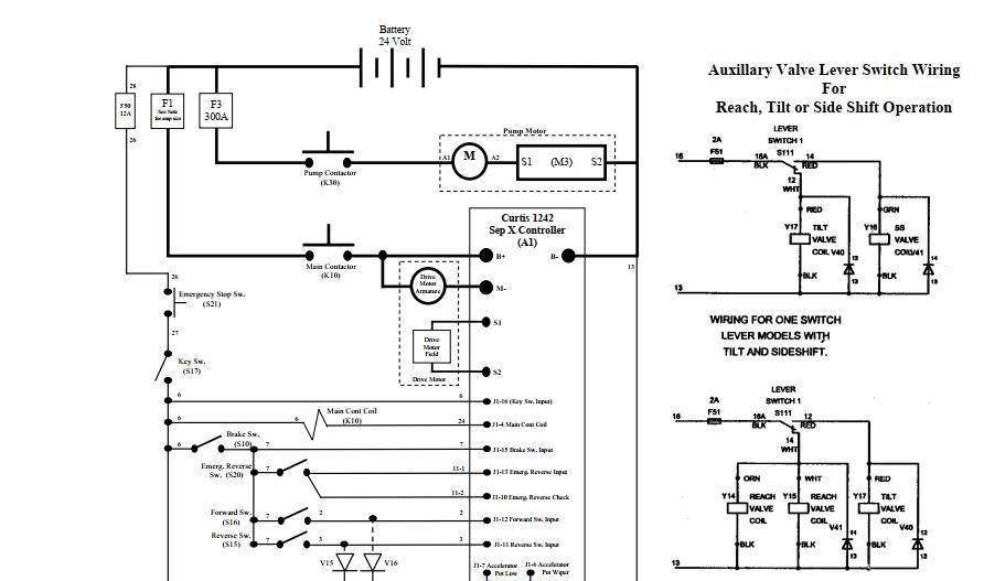
Toyota 6BWR15 to 6BWC20 Wiring Schematic
Size: 171 KB
Machine: Forklift
Machine Model: 6BWR15 6BWS11 6BWS15 6BWS20 6BWC10 6BWC15 6BWC20
Pages: 1 Page
#More Product: Toyota Forklift Parts Catalog, Repair Manual, Service Manual, Wiring Diagram
Size: 171 KB
Machine: Forklift
Machine Model: 6BWR15 6BWS11 6BWS15 6BWS20 6BWC10 6BWC15 6BWC20
Pages: 1 Page
#More Product: Toyota Forklift Parts Catalog, Repair Manual, Service Manual, Wiring Diagram


