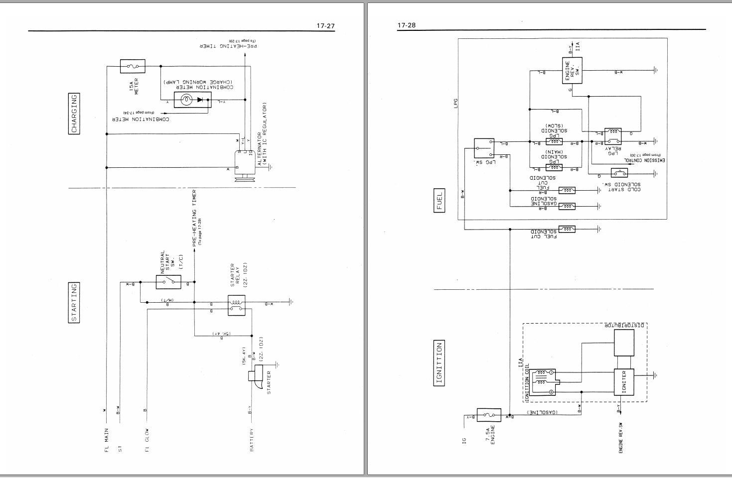
Toyota 6FG10 to 6FG30, 6FD10 to 6FD30 Wiring Diagram
Size: 389 KB
Machine: Forklift
Machine Model: 6FG10 to 6FG30, 6FD10 to 6FD30
Pages: 10 Pages
#More Product: Toyota Forklift Parts Catalog, Repair Manual, Service Manual, Wiring Diagram
Size: 389 KB
Machine: Forklift
Machine Model: 6FG10 to 6FG30, 6FD10 to 6FD30
Pages: 10 Pages
#More Product: Toyota Forklift Parts Catalog, Repair Manual, Service Manual, Wiring Diagram


