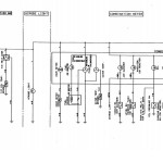
Toyota 6FGCU15 to 6FGCU30 Wiring Diagram
Size: 133 KB
Machine: Forklift
Machine Model: 6FGCU15 to 6FGCU30( 4Y-GM Engine Model )
Pages: 1 Page
#More Product: Toyota Forklift Parts Catalog, Repair Manual, Service Manual, Wiring Diagram
Size: 133 KB
Machine: Forklift
Machine Model: 6FGCU15 to 6FGCU30( 4Y-GM Engine Model )
Pages: 1 Page
#More Product: Toyota Forklift Parts Catalog, Repair Manual, Service Manual, Wiring Diagram


