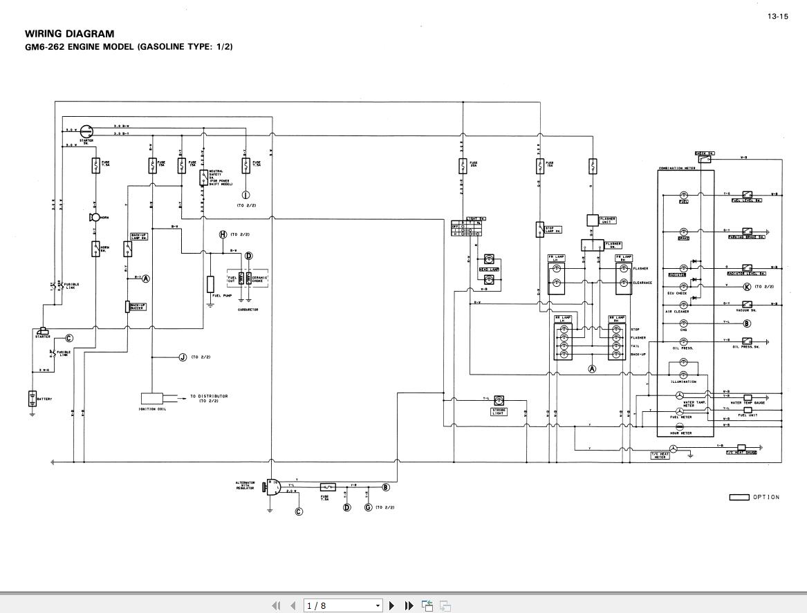
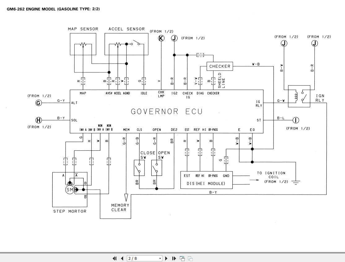
Toyota 6FGU33 to 6FGU45, 6FDU33 to 6FDU45, 6FGAU50 6FDAU50 Wiring Diagram
Size: 544 KB
Machine: Forklift
Machine Model: 6FGU33 to 6FGU45, 6FDU33 to 6FDU45, 6FGAU50 6FDAU50
( GM6-262 Engine Model )
Pages: 8 Pages
#More Product: Toyota Forklift Parts Catalog, Repair Manual, Service Manual, Wiring Diagram


