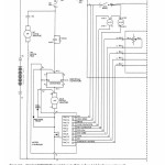
Toyota 6HBW20 Wiring Diagram
Size: 249 KB
Machine: Forklift
Machine Model: 6HBW20
Pages: 7 Pages
#More Product: Toyota Forklift Parts Catalog, Repair Manual, Service Manual, Wiring Diagram
Size: 249 KB
Machine: Forklift
Machine Model: 6HBW20
Pages: 7 Pages
#More Product: Toyota Forklift Parts Catalog, Repair Manual, Service Manual, Wiring Diagram


