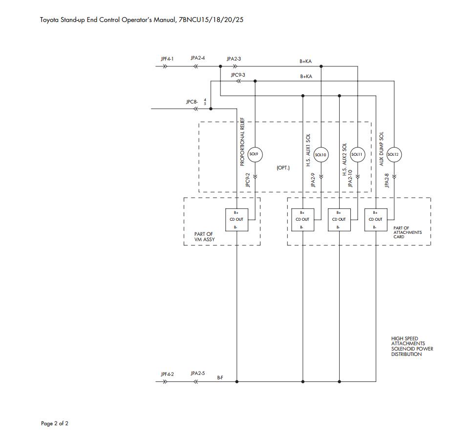
Toyota 7BNCU15 7BNCU18 7BNCU20 7BNCU25 Schematic Diagram
Size: 32.4 KB
Machine: Forklift
Machine Model: 7BNCU15 7BNCU18 7BNCU20 7BNCU25
Pages: 2 Pages
#More Product: Toyota Forklift Parts Catalog, Repair Manual, Service Manual, Wiring Diagram
Size: 32.4 KB
Machine: Forklift
Machine Model: 7BNCU15 7BNCU18 7BNCU20 7BNCU25
Pages: 2 Pages
#More Product: Toyota Forklift Parts Catalog, Repair Manual, Service Manual, Wiring Diagram


