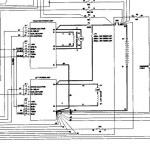
Toyota 7BRU Schematic Diagram
Size: 598 KB
Machine: Forklift
Machine Model: 7BRU
Pages: 1 Page
#More Product: Toyota Forklift Parts Catalog, Repair Manual, Service Manual, Wiring Diagram
Size: 598 KB
Machine: Forklift
Machine Model: 7BRU
Pages: 1 Page
#More Product: Toyota Forklift Parts Catalog, Repair Manual, Service Manual, Wiring Diagram


