Toyota 7FBCU15 to 7FBCU55, 7FBCHU15 to 7FBCHU55 Wiring Diagram
Size: 5.86 MB
Machine: Forklift
Machine Model: 7FBCU15 to 7FBCU55, 7FBCHU15 to 7FBCHU55
Pages: 67 Pages
The Bookmarks of Toyota 7FBCU15 to 7FBCU55, 7FBCHU15 to 7FBCHU55 Wiring Diagram:
SST LIST
SERVICE STANDARDS LIST
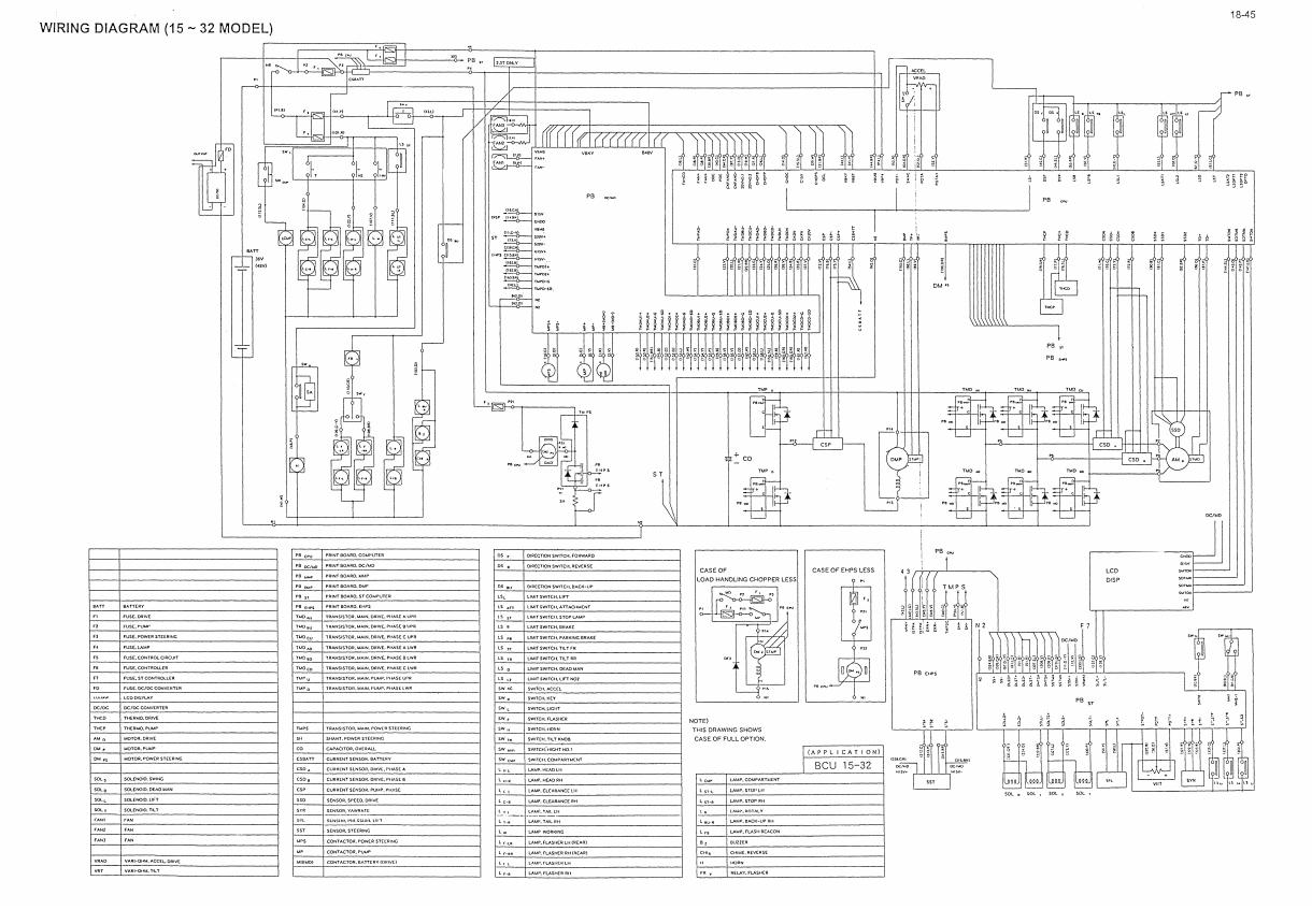
WIRING DIAGRAM (15 - 32 MODEL)
WIRING DIAGRAM (35 - 55 MODEL)
#More Product: Toyota Forklift Parts Catalog, Repair Manual, Service Manual, Wiring Diagram


