Toyota 7FGCU15 to 7FGCU18, 7FGCSU20 Schematic Diagram
Size: 128 KB
Machine: Forklift
Machine Model: 7FGCU15 to 7FGCU18, 7FGCSU20
Pages: 9 Pages
The Bookmarks of Toyota 7FGCU15 to 7FGCU18, 7FGCSU20 Schematic Diagram:
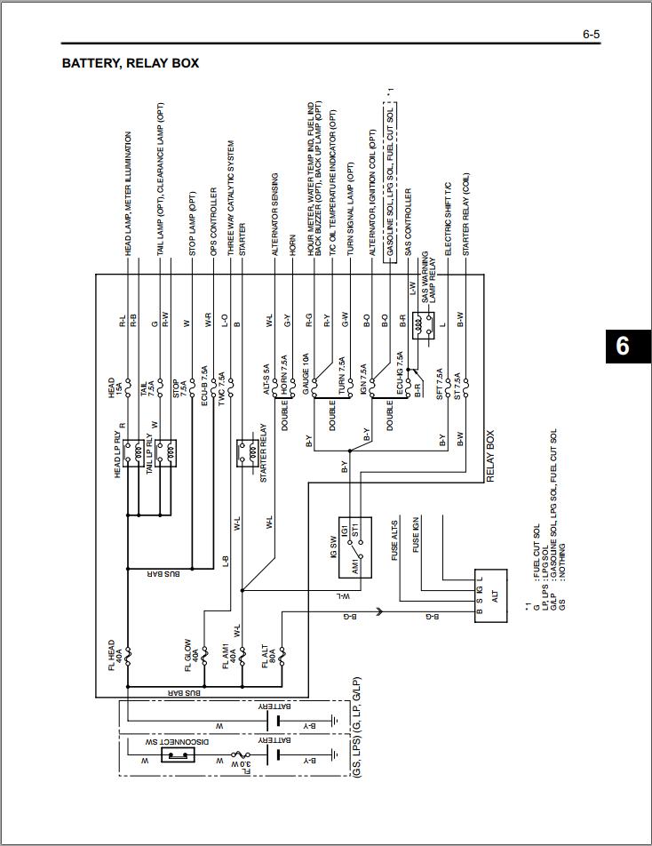
Battery, Relay Box
Electric Shift T/C, Starting, Parking Brake Lamp, Motion Alarm (3-Way Catalytic System)
Electric Shift T/C, Starting, Parking Brake Lamp, Motion Alarm (Less 3-Way Catalytic System)
Combination Meter
Combination Meter (Ez Pedal)
3-Way Catalytic System (G, Gs)
3-Way Catalytic System (Lp, Lps)
3-Way Catalytic System (G/Lp)
#More Product: Toyota Forklift Parts Catalog, Repair Manual, Service Manual, Wiring Diagram


