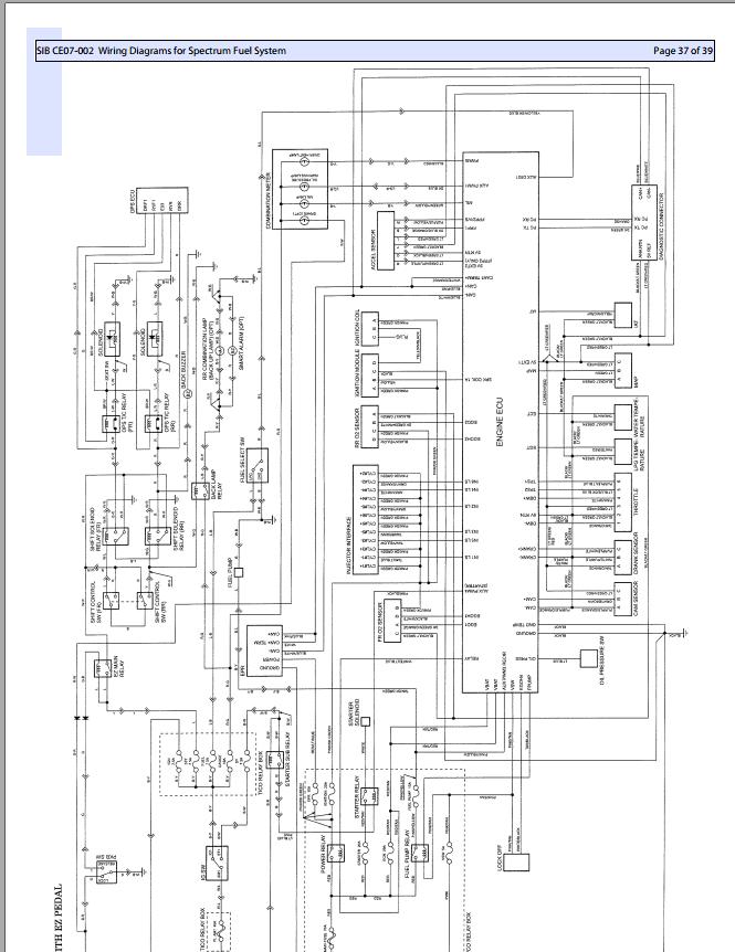
Toyota 7FGU35 to 7FGU80, 7FGCU35 to 7FGCU70 Wiring Diagram
Size: 3.10 MB
Machine: Forklift
Machine Model: 7FGU35 to 7FGU80, 7FGCU35 to 7FGCU70
Pages: 39 Pages
#More Product: Toyota Forklift Parts Catalog, Repair Manual, Service Manual, Wiring Diagram


