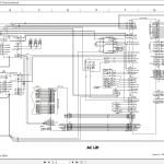
Toyota 8BRU18 to 8BRU23, 8BDRU15 Schematic Diagram
Size: 1.24 MB
Machine: Forklift
Machine Model: 8BRU18 to 8BRU23, 8BDRU15
Pages: 6 Pages
#More Product: Toyota Forklift Parts Catalog, Repair Manual, Service Manual, Wiring Diagram
Size: 1.24 MB
Machine: Forklift
Machine Model: 8BRU18 to 8BRU23, 8BDRU15
Pages: 6 Pages
#More Product: Toyota Forklift Parts Catalog, Repair Manual, Service Manual, Wiring Diagram


