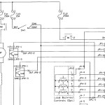
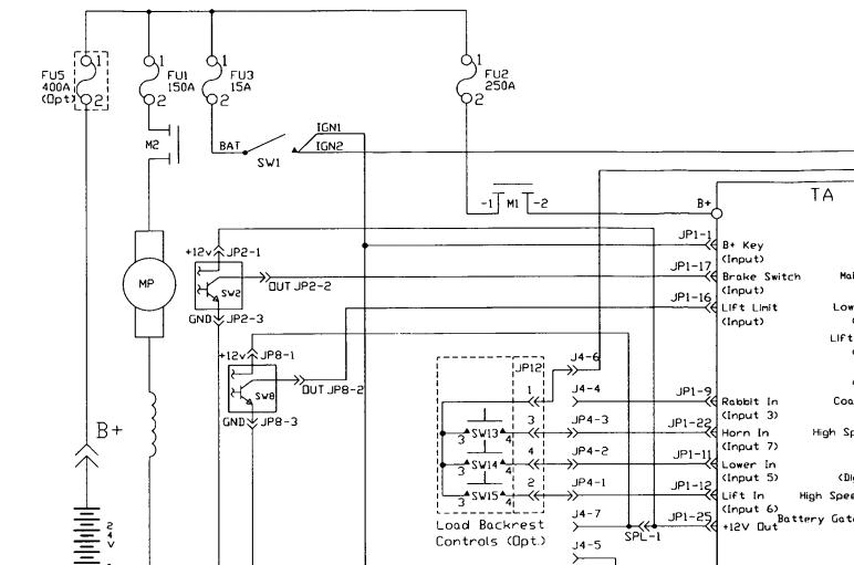
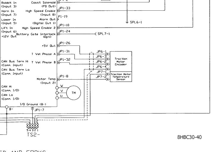
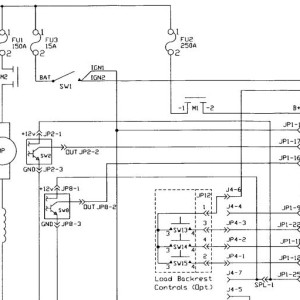
Toyota 8HBC30 to 8HBC40 Electrical Schematic
Size: 52.3 KB
Machine: Forklift
Machine Model: 8HBC30 to 8HBC40
Pages: 1 Page
#More Product: Toyota Forklift Parts Catalog, Repair Manual, Service Manual, Wiring Diagram
Size: 52.3 KB
Machine: Forklift
Machine Model: 8HBC30 to 8HBC40
Pages: 1 Page
#More Product: Toyota Forklift Parts Catalog, Repair Manual, Service Manual, Wiring Diagram


