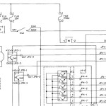
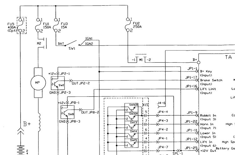
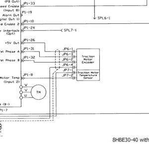
Toyota 8HBE30 to 8HBE4 Wiring Diagram
Size: 56.4 KB
Machine: Forklift
Machine Model: 8HBE30 to 8HBE4
Pages: 1 Page
#More Product: Toyota Forklift Parts Catalog, Repair Manual, Service Manual, Wiring Diagram
Size: 56.4 KB
Machine: Forklift
Machine Model: 8HBE30 to 8HBE4
Pages: 1 Page
#More Product: Toyota Forklift Parts Catalog, Repair Manual, Service Manual, Wiring Diagram


