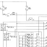
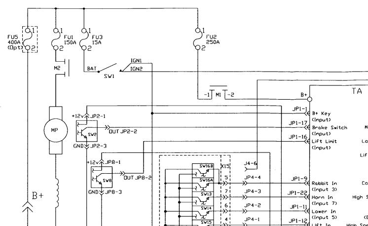
Toyota 8HBE30 to 8HBE40 Electrical Schematic
Size: 54.5 KB
Machine: Forklift
Machine Model: 8HBE30 to 8HBE40
Pages: 1 Page
#More Product: Toyota Forklift Parts Catalog, Repair Manual, Service Manual, Wiring Diagram
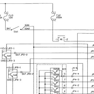
Size: 54.5 KB
Machine: Forklift
Machine Model: 8HBE30 to 8HBE40
Pages: 1 Page
#More Product: Toyota Forklift Parts Catalog, Repair Manual, Service Manual, Wiring Diagram


