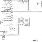
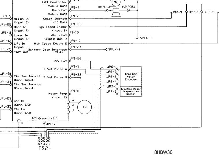
Toyota 8HBW30 Electrical Schematic
Size: 50.4 KB
Machine: Forklift
Machine Model: 8HBW30
Pages: 1 Page
#More Product: Toyota Forklift Parts Catalog, Repair Manual, Service Manual, Wiring Diagram
Size: 50.4 KB
Machine: Forklift
Machine Model: 8HBW30
Pages: 1 Page
#More Product: Toyota Forklift Parts Catalog, Repair Manual, Service Manual, Wiring Diagram


