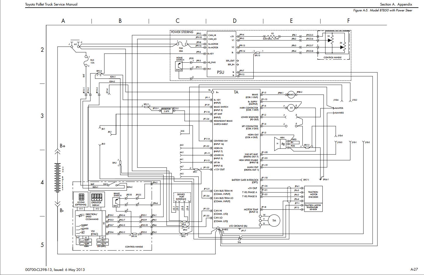
Toyota 8TB50 8HBW30 8HBE30 8HBE40 8HBC30 8HBC40 Wiring Schematics
Size: 216 KB
Machine: Forklift
Machine Model: 8TB50 8HBW30 8HBE30 8HBE40 8HBC30 8HBC40
Publication Date: 05/2013
Pages: 10 Pages
The Bookmarks of Toyota 8TB50 8HBW30 8HBE30 8HBE40 8HBC30 8HBC40 Wiring Schematics:
Electrical Schematics
Power Distribution Diagram
Hydraulic Schematic
#More Product: Toyota Forklift Parts Catalog, Repair Manual, Service Manual, Wiring Diagram


