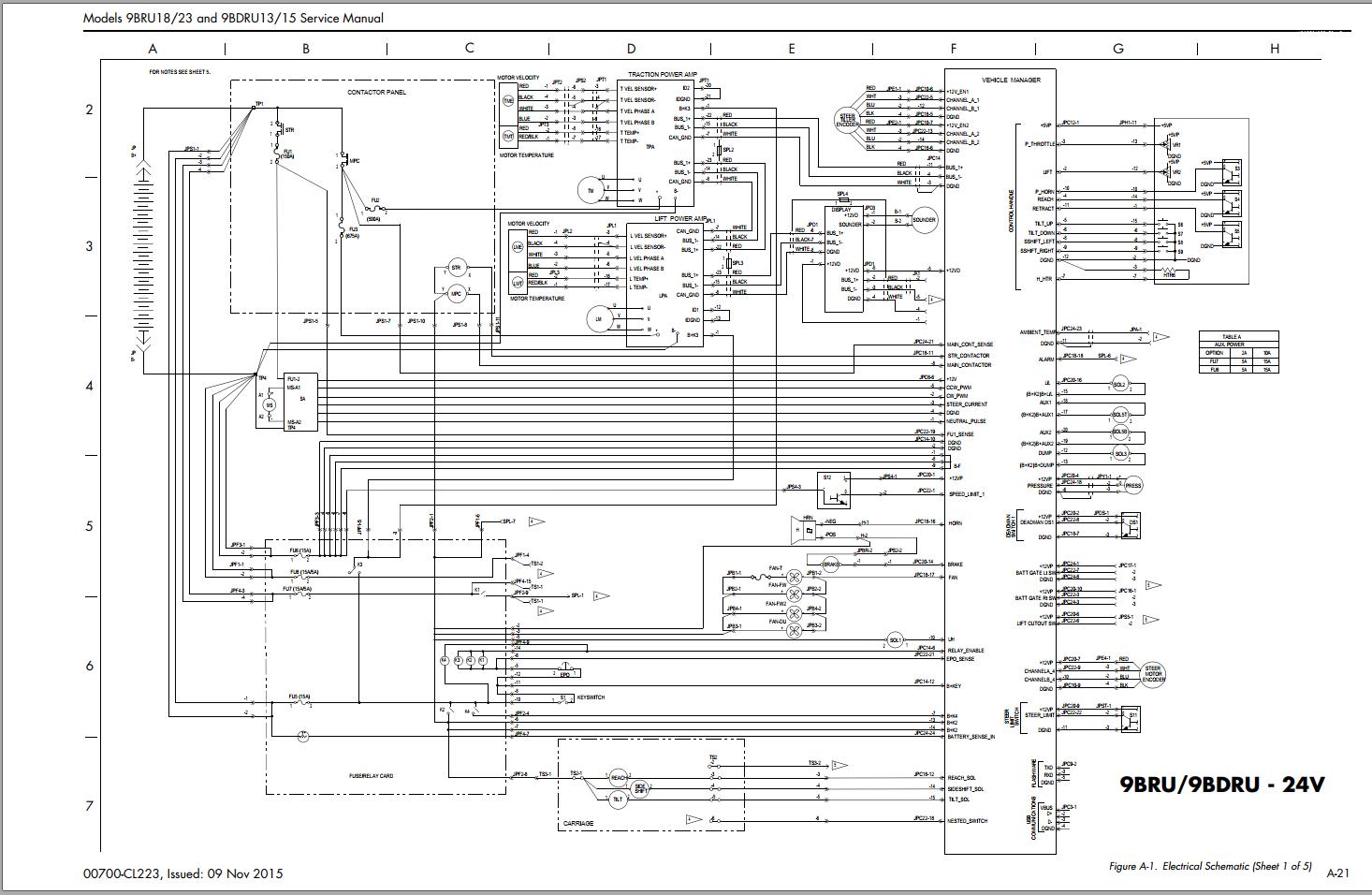
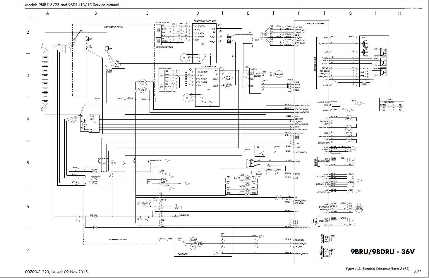
Toyota 9BRU18 9BRU23 9BDRU13 9BDRU15 Wiring Schematics 00700-CL223
Size: 901 KB
Machine: Forklift
Machine Model: 9BRU18 9BRU23 9BDRU13 9BDRU15
Publication Date: 11/2015
Pages: 9 Pages
Part Number: 00700-CL223
#More Product: Toyota Forklift Parts Catalog, Repair Manual, Service Manual, Wiring Diagram


