Toyota CAMRY HYBRID 2024 Wiring Diagram
Data Size: 7.39 MB
Language: English
File Type: PDF
Manufacturer: Toyota, Lexus, Scion
Applicable Machine: Automotive, SUV, Crossover, MINI VAN
Document: Wiring Diagrams
Machine Model: 2024 Toyota Camry FWD L4-2.5L (A25A-FXS) Hybrid
List Content:
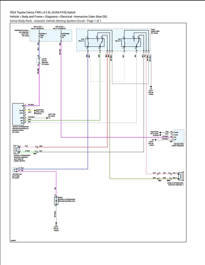
Active Body Work - Acoustic Vehicle Altering System Circuit (Body and Frame) PDF
Active Body Work - Grille Shutter Circuit (Body and Frame) PDF
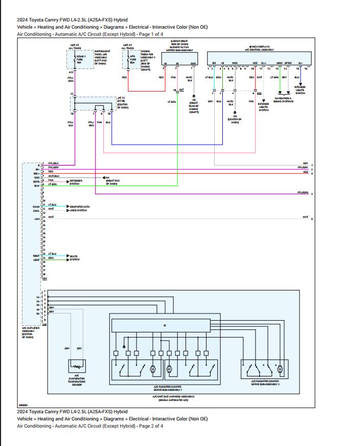
Air Conditioning - Automatic A C Circuit (Except Hybrid) (Heating and Air Conditioning) PDF
Air Conditioning - Automatic A C Circuit (Hybrid) (Heating and Air Conditioning) PDF
Anti-Lock Brakes - Except Hybrid W Electric Parking Brake (Antilock Brakes Traction Control Systems) PDF
Anti-Lock Brakes - Except Hybrid W O Electric Parking Brake (Antilock Brakes Traction Control Systems) PDF
Anti-Lock Brakes - Hybrid (Antilock Brakes Traction Control Systems) PDF
Anti-Lock Brakes (Antilock Brakes Traction Control Systems) PDF
Anti-Theft - Forced Entry Circuit (Except Hybrid W Smart Key System) (Antitheft and Alarm Systems) PDF
Anti-Theft - Forced Entry Circuit (Except Hybrid W O Smart Key System) (Antitheft and Alarm Systems) PDF
Anti-Theft - Forced Entry Circuit (Hybrid) (Antitheft and Alarm Systems) PDF
Anti-Theft - Immobilizer Circuit (Except Hybrid W Smart Key System) (Antitheft and Alarm Systems) PDF
Anti-Theft - Immobilizer Circuit (Except Hybrid W O Smart Key System) (Antitheft and Alarm Systems) PDF
Anti-Theft - Immobilizer Circuit (Hybrid) (Antitheft and Alarm Systems) PDF
Blind Spot Monitoring Circuit (Collision Avoidance and Parking Assist Systems) PDF
Body Computer (Body Control Module) PDF
Computer Data Lines - Except Hybrid (InFile Typeion Bus) PDF
Computer Data Lines - Hybrid (InFile Typeion Bus) PDF
Cooling Fans - Battery Cooling Fan Circuit (Radiator Cooling Fan) PDF
Cooling Fans - Cooling Fan Circuit (Except Hybrid) (Radiator Cooling Fan) PDF
Cooling Fans - Cooling Fan Circuit (Hybrid) (Radiator Cooling Fan) PDF
Cruise Control - Cruise Control Circuit (Cruise Control) PDF
Cruise Control - Dynamic Laser Cruise Control Circuit (Cruise Control) PDF
Cruise Control (Cruise Control) PDF
Defogger (Rear Defogger) PDF
Door Locks - Except Hybrid W Smart Key System (Power Locks) PDF
Door Locks - Except Hybrid W O Smart Key System (Power Locks) PDF
Door Locks - Hybrid (Power Locks) PDF
Driver Monitoring Circuit (Collision Avoidance and Parking Assist Systems) PDF
Electric Parking Brake Circuit (Except Hybrid) (Parking Brake System) PDF
Electric Parking Brake Circuit (Hybrid) (Parking Brake System) PDF
Electronic Power Steering - Except Hybrid (Power Steering) PDF
Electronic Power Steering - Hybrid (Power Steering) PDF
Engine Controls - Engine Controls Circuit (Powertrain Management) PDF
Engine Controls - Hybrid System Circuit (Lithium-Ion Battery) (Powertrain Management) PDF
Engine Controls - Hybrid System Circuit (Nickel Metal Hydride Battery) (Powertrain Management) PDF
Exterior Lights - Backup Lamps Circuit (Except Hybrid) (Lighting and Horns) PDF
Exterior Lights - Backup Lamps Circuit (Hybrid) (Lighting and Horns) PDF
Exterior Lights - Exterior Lamps Circuit (Except Hybrid) (Lighting and Horns) PDF
Exterior Lights - Exterior Lamps Circuit (Hybrid) (Lighting and Horns) PDF
Ground Distribution - Except Hybrid (Power and Ground Distribution) PDF
Ground Distribution - Hybrid (Power and Ground Distribution) PDF
Headlights - Except Hybrid (Headlamp) PDF
Headlights - Hybrid (Headlamp) PDF
Heated Steering Wheel Circuit (Steering Wheel) PDF
Horns (Horn) PDF
Instrument Cluster (Instrument Panel, Gauges and Warning Indicators) PDF
Interior Lights - Courtesy Lamps Circuit (Except Hybrid) (Lighting and Horns) PDF
Interior Lights - Courtesy Lamps Circuit (Hybrid) (Lighting and Horns) PDF
Interior Lights - Instrument Illumination Circuit (Except Hybrid) (Lighting and Horns) PDF
Interior Lights - Instrument Illumination Circuit (Hybrid) (Lighting and Horns) PDF
Lane Departure Warning Circuit (Collision Avoidance and Parking Assist Systems) PDF
Mirrors - Electrochromic Mirror Circuit (Mirrors) PDF
Mirrors - Power Mirrors Circuit (Mirrors) PDF
Navigation - Navigation Circuit (W Built-in Amplifier) (Navigation System) PDF
Navigation - Navigation Circuit (W Separate Amplifier) (Navigation System) PDF
Navigation - Telematics Circuit (Navigation System) PDF
Parking Assistant Circuit (Collision Avoidance and Parking Assist Systems) PDF
Power Distribution - Except Hybrid (Power and Ground Distribution) PDF
Power Distribution - Hybrid (Power and Ground Distribution) PDF
Power Tops - Power Sliding Roof Circuit (Sunroof Moonroof) PDF
Power Tops - Sunroof Circuit (Sunroof Moonroof) PDF
Power Windows (Windows) PDF
Rear Sonar Circuit (Collision Avoidance and Parking Assist Systems) PDF
Seats - Driver Power Seat Circuit (Seats) PDF
Seats - Front Heated Seats Circuit (W Climate Control Seat) (Seats) PDF
Seats - Front Heated Seats Circuit (W O Climate Control Seat) (Seats) PDF
Seats - Passenger Power Seat Circuit (Seats) PDF
Shift Interlock - Shift Interlock Circuit (Except Hybrid W Smart Key System) (Transmission and Drivetrain) PDF
Shift Interlock - Shift Interlock Circuit (Except Hybrid W O Smart Key System) (Transmission and Drivetrain) PDF
Shift Interlock - Shift Interlock Circuit (Hybrid) (Transmission and Drivetrain) PDF
Sound Systems - W Built-in Amplifier (Radio, Stereo, and Compact Disc) PDF
Sound Systems - W Separate Amplifier (Radio, Stereo, and Compact Disc) PDF
Starting Charging - Charging Circuit (Starting and Charging) PDF
Starting Charging - Starting Circuit (W Smart Key System) (Starting and Charging) PDF
Starting Charging - Starting Circuit (W O Smart Key System) (Starting and Charging) PDF
Supplemental Restraints (Restraints and Safety Systems) PDF
Tire Pressure Monitoring Circuit (Except Hybrid) (Tire Monitoring System) PDF
Tire Pressure Monitoring Circuit (Hybrid) (Tire Monitoring System) PDF
Transmissions (Transmission and Drivetrain) PDF
Trunk, Tailgate, Fuel Doors - Trunk & Fuel Door Release Circuit (Except Hybrid) (Doors, Hood and Trunk) PDF
Trunk, Tailgate, Fuel Doors - Trunk & Fuel Door Release Circuit (Hybrid) (Doors, Hood and Trunk) PDF
Warning Systems - Key Reminder & Seat Belt Warning Circuit (Except Hybrid) (Instrument Panel, Gauges and Warning Indicators) PDF
Warning Systems - Seat Belt Warning Circuit (Hybrid) (Instrument Panel, Gauges and Warning Indicators) PDF
Wiper Washer (Wiper and Washer Systems) PDF


