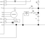
Toyota TWB40 Wiring Schematic
Size: 99.0 KB
Machine: Pallet Truck
Machine Model: TWB40
Pages: 1 Page
#More Product: Toyota Forklift Parts Catalog, Repair Manual, Service Manual, Wiring Diagram
Size: 99.0 KB
Machine: Pallet Truck
Machine Model: TWB40
Pages: 1 Page
#More Product: Toyota Forklift Parts Catalog, Repair Manual, Service Manual, Wiring Diagram


